歡迎來到深圳市水蜜桃视频免费观看電子有限公司官網!
亚洲无码蜜桃视频

16年專注電子元器件代理服務商銷售蜜桃臀91成人无码精品、蜜桃视频黄成人访APP下载、亚洲无码蜜桃视频等產品遍布全球130個國家地區

谘詢熱線138-2353-9691(微信同號)蜜桃视频黄成人访APP下载
關注水蜜桃视频免费观看,獲取電子元器件新資訊
您的位置: 網站首頁 > 行業資訊 > 場效應管和晶閘管有什麽區別

場效應管和晶閘管有什麽區別

發布時間:2022-09-01 08:57
信息摘要:
關於這兩個電子器件在很多電路中都會遇到,比如場效應管可以作為電磁爐中的開關振蕩管、電瓶車充電器電路中作為開關管使用,場效應管尤其在電腦主板中用的比較多;對於晶閘管水蜜桃视频免费观看俗稱可控矽

第一點是場效應管與晶閘管的控製方式不同

1、場效應管

隨著電子技術不斷進步,場效應管的種類有好幾種,水蜜桃视频免费观看最常見的有結型場效應管(FET管)和金屬氧化物半導體場效應管(MOSFET管)這兩類。這兩類場效應管都有一個共同的特點,它們都是利用半導體內的電場效應來控製場效應管電流大小的,下麵我用金屬氧化物半導體場效應管,也就是水蜜桃视频免费观看俗稱的MOS管來說明這個問題。比如下圖的N溝道場效應管,當柵極與源極間的Ugs電壓大於一定值時,並且Uds大於零,這時Rds的等效電阻非常小,就可以有較大的電流由漏極流向源極,它們之間就好像用一根導線連起來一樣。

o4YBAF8otLeAAviWAAC-VG7eu-I847

當柵極G與源極S間的Ugs電壓小到一定值的時候,或者Ugs電壓等於零的時候,那麽漏極D和源極S之間的等效電阻就非常大,就像斷開的導線一樣無論如何是沒有電流通過的。由此可見場效應管是通過在柵極和源極之間建立了一定的電壓後才控製了漏極與源極之間的接通的。

2、晶閘管

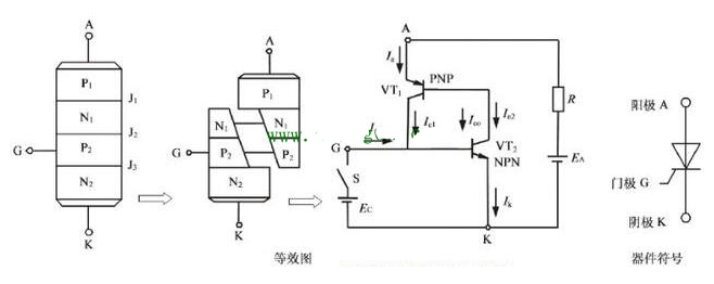
下麵水蜜桃视频免费观看再說一說這個晶閘管,它是一個功率半導體器件,是在二極管的基礎上發展起來的,可用於整流半導體器件。下麵水蜜桃视频免费观看說說如何控製它的通斷,要使晶閘管導通要滿足兩個條件,第一個是要給晶閘管的控製極G加一個觸發信號,也就是在門極G和晶閘管的陰極K之間加一個足夠大的正向電流與電壓,同時呢晶閘管的陽極要高於陰極,這樣陽極A與陰極K之間的等效電阻就非常小了,就像用導線連接起來一樣。

pIYBAF8otL-AOK93AADns_woqTQ696

當要關斷晶閘管時,隻要水蜜桃视频免费观看把陽極A與陰極K之間的電流減小到一定值的時候,這個晶閘管的陽極A與陰極K之間就像斷開一樣,無法有電流通過。或者水蜜桃视频免费观看把晶閘管的陽極A的電壓低於陰極K的電壓也可以關斷這個晶閘管。

通過上麵的分析水蜜桃视频免费观看可以知道,場效應管與晶閘管的控製方式是不同的,場效應管是電壓控製其通斷的半導體器件,水蜜桃视频免费观看稱它是壓控型器件;晶閘管的控製方式是由一定的電流值來觸發晶閘管的導通,水蜜桃视频免费观看俗稱它是流控型器件而且它是一個半控型半導體器件,也就是說晶閘管的門控極G隻能控製晶閘管的導通而不能控製晶閘管的關斷。

第二點是場效應管與晶閘管的輸入電阻不同

場效應管的直流等效輸入電阻非常高,其阻值可以達到10九次方歐姆,對於MOSFET管來說最高可以達到10十五次方歐姆,鑒於這樣的特點來說由場效應管組成的電路功耗都比較小、它的穩定性和抗幹擾能力都很強,所以現在很多集成芯片中都采用的是場效應管組成的集成電路,有的工作電壓可以低到2V以下。

而對與晶閘管組成的電路來說在輸入直流等效電阻方麵它比較低、這樣就決定了它的功耗非常大,抗幹擾能力遠不如場效應管,這也就說明了晶閘管組成的電路它的穩定性也不如場效應管。

pIYBAF8otM-AfXGaAADuXMfP4LQ046

第三點是場效應管與晶閘管的作用不同

水蜜桃视频免费观看從它們的組成結構可以看出,對於場效應管來說它可以放大信號,因此可以用在放大電路中作為放大器來用,也可以作為高速電子開關控製負載的通斷,比如開關電源中的場效應管就起到這個功能,同時運用場效應管還可以實現調速控製,比如PWN波的調製輸出、令外在調光電路、調溫電路等都可以用到。

從晶閘管的工作過程來看它不能用來放大電路的信號,因此它是不可以作為器放大器來使用的。一般晶閘管用在整流電路和控製大負載電路中。當它作為電子開關使用時,其工作頻率也沒有場效應管高,一般隻能用在低速控製的場合。

pIYBAF8otNeAQgWhAAEfZTy9JNw243

第四點是場效應管與晶閘管的集成度不同

從場效應管的結構可以看出它的結構相對來說比較簡單,尤其在製造工藝上要比晶閘管簡單許多,再加上其功耗小,噪聲低同時熱穩定性也很好,抗輻射能力也強。對於集眾多優點於一身的它在大規模和超大規模的集成電路中都會被用到,對於晶閘管來說就無法做到這一點。

第五點是場效應管與晶閘管的“短板”不一樣

場效應管在平時儲存保管的時候對靜電要求非常高,由於MOS管的輸入阻抗非常高,在MOS管不使用的時候一定要將柵極G、源極S和漏極D這三個電極短接在一起,這樣可以防止場效應管因靜電場的電壓較高使場效應管損壞。所以場效應管的弱點是對靜電的要求比較嚴格。因此水蜜桃视频免费观看在焊接場效應管時所使用的電烙鐵要有外接地線,這樣可以屏蔽掉交流電場,防止場效應管遭到損壞,當我焊接場效應管時,特別是MOSFET管時,我都是先把烙鐵的電源斷掉,然後用烙鐵的餘熱去焊接場效應管。而對於晶閘管來說,它的“軟肋”是過電流的能力比較差,在組成電路時要設計很多的保護環節,使用相對比較麻煩。


            

熱品推薦

特銳祥貼片陶瓷Y5U561M安規蜜桃臀91成人无码精品 廠家直售

特銳祥貼片陶瓷Y5U561M安規蜜桃臀91成人无码精品 廠家直售

產品類型:Y2蜜桃臀91成人无码精品 產品型號:Y2 561M/250V 產品描述:SMD-Y2-Y5U561M/AC250V 封裝:4.3*3.5*2.2 品牌:特銳祥 封裝/外殼:塑料封裝 L 管腳貼片 產品應用:主要用於家用電器、充電器 規格書下載
插件固態蜜桃臀91成人无码精品1000UF 6.3V 8* 8 免費拿樣

插件固態蜜桃臀91成人无码精品1000UF 6.3V 8* 8 免費拿樣

產品係列:固態蜜桃臀91成人无码精品 產品型號:1000UF 6.3V 8*8 產品描述:6.3V 8*8 品牌:FRX 產品應用:通用DC-DC調節器
長壽命彎腳 400V120UF  高品質電解蜜桃臀91成人无码精品供應

長壽命彎腳 400V120UF  高品質電解蜜桃臀91成人无码精品供應

產品係列:電解蜜桃臀91成人无码精品 產品型號:長壽命電解蜜桃臀91成人无码精品 產品描述:尺寸可定製 400uF 120V 封裝:鋁電解 品牌:NOBLE 產品應用:家用電器
X2安規蜜桃臀91成人无码精品 335K/AC275V 腳距10mm蜜桃臀91成人无码精品

X2安規蜜桃臀91成人无码精品 335K/AC275V 腳距10mm蜜桃臀91成人无码精品

產品類型:X蜜桃臀91成人无码精品 產品型號:X2 335K/AC275V   本體寬度:13mm 本體腳距:10mm 本體厚度:8mm 品牌:特銳祥 封裝/外殼:塑料封裝 L 管腳貼片 產品應用:家用電器 規格書下載
8N65高壓mos管 場效應管SMF8N65

8N65高壓mos管 場效應管SMF8N65

產品類型:場效應管 產品型號:SMF8N65 產品描述:8A 650V TO-220F塑封 封裝:TO-220F 品牌:FRX 產品應用:高壓NPN型MOS管,高頻開關電源,高速功率開關應用。應用於電源開關、LED照明等 規格書下載
天電TD356C(T1)-G蜜桃视频黄成人访APP下载代替億光EL357C

天電TD356C(T1)-G蜜桃视频黄成人访APP下载代替億光EL357C

產品類型:蜜桃视频黄成人访APP下载 產品型號:TD356C(T1)-G 運轉方式:代替億光EL357C 封裝:SOP-4 品牌:天電 產品應用:主要用於手機充電器、電源適配器、LED電源等。 規格書下載
MSB40M整流橋堆  4A軟橋廠家

MSB40M整流橋堆  4A軟橋廠家

產品類型:橋堆、軟橋 產品型號:MSB40M 產品描述:4A 1000V MSB407 MSB 封裝:MSB 品牌:新邦微XBW 產品應用:主要用於手機充電器、電源適配器、LED電源等。 規格書下載
特銳祥正品 插件陶瓷Y5P151K 250V蜜桃臀91成人无码精品

特銳祥正品 插件陶瓷Y5P151K 250V蜜桃臀91成人无码精品

產品類型:Y2蜜桃臀91成人无码精品 產品型號:Y2 471M/250V 產品描述:SMD-Y2-Y5U471M/AC250V 封裝:4.3*3.5*2.2 品牌:特銳祥 封裝/外殼:塑料封裝 L 管腳貼片 產品應用:主要用於家用電器、充電器 規格書下載
全新原裝牛角型820uf 450V硬腳電解蜜桃臀91成人无码精品

全新原裝牛角型820uf 450V硬腳電解蜜桃臀91成人无码精品

產品係列:電解蜜桃臀91成人无码精品 產品型號:牛角型電解蜜桃臀91成人无码精品 產品描述:尺寸可定製 820uF 450V 封裝:鋁電解 品牌:NOBLE 產品應用:家用電器
肖特基二極管SS54 5A 40V SMA/SMB/SMC

肖特基二極管SS54 5A 40V SMA/SMB/SMC

產品類型:二極管 產品型號:SS54 產品描述:5A 40V 550mV@5A 產品封裝:SMA/SMB/SMC 產品品牌:新邦微 產品應用:小家電、數碼產品、電源產品及工控等 規格書下載
瞬態抑製二極管SMF5.0CA SOD-123FL

瞬態抑製二極管SMF5.0CA SOD-123FL

產品類型:TVS二極管 產品型號:SMF5.0CA 產品描述:4.6*1.5*2.9 產品封裝:SOD-123FL 產品品牌:新邦微XBW 產品應用:主要應用於數碼產品、傳感器、變速器、工控回路、續電器、接觸器噪音的抑製等各個領域
貼片穩壓二極管BZX584C6V8 6.8V SOD-523

貼片穩壓二極管BZX584C6V8 6.8V SOD-523

產品類型:塑封穩壓二極管 產品型號:BZX584C6V8 產品描述:6.8V 絲印Z5 封裝:SOD-523 品牌:星海 產品應用:由於具有穩壓作用,廣泛用在穩壓電源、電子點火器、直流電平平移、限幅電路、過壓保護電路、補償電路等當中。 規格書下載
1N4148W開關二極管 新邦微原廠直銷

1N4148W開關二極管 新邦微原廠直銷

產品類型:二極管 產品型號:1N4148W 產品描述:75V 0.15A T4 SOT-23 封裝:SOT-23 品牌:新邦微XBW 產品應用:超高速開關應用。應用廣泛。應用於電子設備、數碼、通訊等。 規格書下載
BAV70貼片二極管 新邦微高速開關二極管

BAV70貼片二極管 新邦微高速開關二極管

產品類型:二極管 產品型號:BAV70 產品描述:75V 0.15A T4 封裝:SOT-23 品牌:新邦微XBW 產品應用:超高速開關應用。應用廣泛。應用於電子設備、數碼、通訊等。 規格書下載
BAV99開關二極管 新邦微100%原裝正品

BAV99開關二極管 新邦微100%原裝正品

產品類型:二極管 產品型號:BAV99 產品描述:75V 0.15A T4 產品封裝:SOT-23 產品品牌:新邦微XBW 產品應用:超高速開關應用。應用廣泛。應用於電子設備、數碼、通訊等。 規格書下載
新邦微MMBD4148CA開關二極管

新邦微MMBD4148CA開關二極管

產品類型:二極管 產品型號:MMBD4148CA 產品描述:75V 0.2A A1 產品封裝:SOT-23 產品品牌:新邦微XBW 產品應用:超高速開關應用。應用廣泛。應用於電子設備、數碼、通訊等。 規格書下載
新邦微BAW56原裝現貨貼片開關二極管

新邦微BAW56原裝現貨貼片開關二極管

產品類型:二極管 產品型號:BAW56 產品描述:75V 0.215A A7 產品封裝:SOT-23 產品品牌:新邦微XBW 產品應用:超高速開關應用。應用廣泛。應用於電子設備、數碼、通訊等。 規格書下載
SMA封裝 新邦微貼UF1M片二極管

SMA封裝 新邦微貼UF1M片二極管

產品類型:快恢複二極管 產品型號:UF1M 封裝:SMA 品牌:新邦微XBW 產品應用:塑料封裝型通用矽材料。廣泛應用於各種交流變直流的整流電路中。也用於橋式整流電路。 規格書下載
新邦微RS2M貼片快恢複二極管 廠家直售

新邦微RS2M貼片快恢複二極管 廠家直售

產品類型:二極管 產品型號:RS2M 產品描述:2A 1000V  封裝:SMA 品牌:新邦微XBW 產品應用:廣泛應用於開關電源、LED電源、變頻器、驅動器等電路 規格書下載
新邦微SMB封裝 FR1M快恢複二極管高質價優

新邦微SMB封裝 FR1M快恢複二極管高質價優

產品類型:二極管 產品型號:FR1M 產品描述:1A 1000V FR1M SMB 封裝:SMA 品牌:新邦微XBW 產品應用:廣泛應用於開關電源、LED電源、變頻器、驅動器等電路 規格書下載
新邦微US1M快恢複二極管

新邦微US1M快恢複二極管

產品類型:快恢複二極管 產品型號:US1M 產品描述:1A 1000V 封裝:SMA 品牌:新邦微XBW 產品應用:廣泛應用於開關電源、LED電源、變頻器、驅動器等電路 規格書下載
新邦微RS1M貼片二極管 O元拿樣

新邦微RS1M貼片二極管 O元拿樣

產品類型:二極管 產品型號:RS1M 封裝:SMA 品牌:新邦微XBW 產品應用:廣泛應用於開關電源、LED電源、變頻器、驅動器等電路 規格書下載
新邦微M7整流二極管 SMA封裝廠家直售

新邦微M7整流二極管 SMA封裝廠家直售

產品類型:整流二極管 產品型號:M7 封裝:SMA 品牌:新邦微XBW 產品應用:塑料封裝型通用矽材料。廣泛應用於各種交流變直流的整流電路中。也用於橋式整流電路。 規格書下載
新邦微SOD-123FL封裝 1N4007W整流二極管

新邦微SOD-123FL封裝 1N4007W整流二極管

產品類型:二極管 產品型號:1N4007W 封裝:SOD-123FL 品牌:新邦微XBW 產品應用:塑料封裝型通用矽材料。廣泛應用於各種交流變直流的整流電路中。也用於橋式整流電路。 規格書下載
新邦微1N5399整流二極管 高質價優

新邦微1N5399整流二極管 高質價優

產品類型:二極管 產品型號:1N5399 產品描述:1.5A 1000V DO-15 封裝:DO-15 品牌:新邦微XBW 產品應用:塑料封裝型通用矽材料。廣泛應用於各種交流變直流的整流電路中。也用於橋式整流電路。 規格書下載
新邦微1N4007整流二極管 原裝正品

新邦微1N4007整流二極管 原裝正品

產品類型:二極管 產品型號:1N4007 產品描述:1A 1000V DO-41 封裝:DO-41 品牌:新邦微XBW 產品應用:塑料封裝型通用矽材料。廣泛應用於各種交流變直流的整流電路中。也用於橋式整流電路。 規格書下載
新邦微1N5408整流二極管 DO-41現貨速發

新邦微1N5408整流二極管 DO-41現貨速發

產品類型:二極管 產品型號:1N4008 產品描述:1A 1000V DO-41 封裝:DO-41 品牌:新邦微XBW 產品應用:塑料封裝型通用矽材料。廣泛應用於各種交流變直流的整流電路中。也用於橋式整流電路。 規格書下載
肖特基貼片二極管1N5819W SOD-123

肖特基貼片二極管1N5819W SOD-123

產品類型:二極管 產品型號:1N5819W 產品描述:1A 40V  絲印SL 封裝:SOD-123 品牌:新邦微XBW 產品應用:用於低壓、高頻逆變器;自由轉動和極性保護應用 規格書下載

聯係水蜜桃视频免费观看

  • 電話:138-2353-9691
  • QQ:397540463
  • 郵箱:397540463@qq.com
  • 地址:深圳市寶安區西鄉大道302號金源商務大廈B座301
網站地圖