歡迎來到深圳市水蜜桃视频免费观看電子有限公司官網!
亚洲无码蜜桃视频

16年專注電子元器件代理服務商銷售蜜桃臀91成人无码精品、蜜桃视频黄成人访APP下载、亚洲无码蜜桃视频等產品遍布全球130個國家地區

谘詢熱線138-2353-9691(微信同號)蜜桃视频黄成人访APP下载
關注水蜜桃视频免费观看,獲取電子元器件新資訊
您的位置: 網站首頁 > 行業資訊 > 揚傑MG75P12E2 IGBT模塊產品參數、規格書以及應用領域

揚傑MG75P12E2 IGBT模塊產品參數、規格書以及應用領域

發布時間:2023-07-29 14:22:08
信息摘要:
在現代電子設備中,功率模塊起著至關重要的作用,它們通過提供可靠的功率轉換和控製能力,幫助保護設備免受過電流、過電壓等問題的影響。揚傑MG75P12E2 IGBT模塊就是一款功能強大且備受認可的功率模塊。

  在現代電子設備中,功率模塊起著至關重要的作用,它們通過提供可靠的功率轉換和控製能力,幫助保護設備免受過電流、過電壓等問題的影響。揚傑MG75P12E2 IGBT模塊就是一款功能強大且備受認可的功率模塊。

揚傑MG75P12E2 IGBT模塊產品參數、規格書以及應用領域

  一、揚傑MG75P12E2 IGBT模塊規格參數

  產品類型:IGBT模塊

  產品型號:MG75P12E2

  產品描述:1200V 75A

  產品封裝:E2

  產品品牌:揚傑

  反向重複峰值電壓VRRM:1200V

  正向平均電流IF:75A

  飽和壓降 VCE:1.85V

  工作溫度範圍:-40℃~+150℃


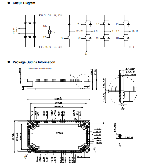
  二、揚傑MG75P12E2 IGBT模塊規格書


1

2

  三、揚傑MG75P12E2 IGBT模塊性能概述

  揚傑MG75P12E2 IGBT模塊是一種集成了驅動器電路、保護電路以及功率級IGBT芯片的模塊化設備。IGBT(Insulated Gate Bipolar Transistor)是一種高性能功率半導體器件,它結合了雙極型晶體管(Bipolar Transistor)的高電壓能力和場效應晶體管(Field-Effect Transistor)的高速開關能力。因此,MG75P12E2 IGBT模塊具有高頻開關特性、低開關損耗和優異的耐壓能力。

  該款模塊采用先進的矽片和封裝技術,具備高可靠性和穩定性。其主要特點如下:

  1、高電壓能力:MG75P12E2 IGBT模塊能夠承受高達1200V的電壓,適用於各類高壓應用場景。

  2、高電流承載能力:該模塊的電流承載能力可達75A,能夠滿足大多數工業設備和電子係統的需求。

  3、先進的熱管理:MG75P12E2 IGBT模塊具備低導通和開關損耗,高熱阻抗和良好的熱擊穿保護,可以有效降低功率模塊在高負載和高溫環境下的熱失控風險。

  4、高度集成的設計:揚傑采用集成設計,將驅動電路、保護電路和功率級IGBT芯片封裝在一個緊湊的模塊中,減少了外部元件的需求,提高了係統可靠性。


  四、揚傑MG75P12E2 IGBT模塊應用領域

  MG75P12E2 IGBT模塊在眾多領域中發揮著重要作用。以下是該模塊的一些典型應用場景:

  1、工業自動化:揚傑MG75P12E2 IGBT模塊廣泛應用於工業自動化領域,如電機驅動、電源逆變器、UPS(不間斷電源)係統、變頻器等工業設備。

  2、交通運輸:該模塊適用於電動汽車、混合動力汽車、鐵路牽引和電動輔助係統等交通運輸領域,其高電壓和高電流承載能力為電動車輛提供了強大的動力支持。

  3、可再生能源:MG75P12E2 IGBT模塊在太陽能、風能和其他可再生能源發電係統中被廣泛采用,幫助實現對電能的高效轉換和控製。

            

熱品推薦

特銳祥貼片陶瓷Y5U561M安規蜜桃臀91成人无码精品 廠家直售

特銳祥貼片陶瓷Y5U561M安規蜜桃臀91成人无码精品 廠家直售

產品類型:Y2蜜桃臀91成人无码精品 產品型號:Y2 561M/250V 產品描述:SMD-Y2-Y5U561M/AC250V 封裝:4.3*3.5*2.2 品牌:特銳祥 封裝/外殼:塑料封裝 L 管腳貼片 產品應用:主要用於家用電器、充電器 規格書下載
插件固態蜜桃臀91成人无码精品1000UF 6.3V 8* 8 免費拿樣

插件固態蜜桃臀91成人无码精品1000UF 6.3V 8* 8 免費拿樣

產品係列:固態蜜桃臀91成人无码精品 產品型號:1000UF 6.3V 8*8 產品描述:6.3V 8*8 品牌:FRX 產品應用:通用DC-DC調節器
長壽命彎腳 400V120UF  高品質電解蜜桃臀91成人无码精品供應

長壽命彎腳 400V120UF  高品質電解蜜桃臀91成人无码精品供應

產品係列:電解蜜桃臀91成人无码精品 產品型號:長壽命電解蜜桃臀91成人无码精品 產品描述:尺寸可定製 400uF 120V 封裝:鋁電解 品牌:NOBLE 產品應用:家用電器
X2安規蜜桃臀91成人无码精品 335K/AC275V 腳距10mm蜜桃臀91成人无码精品

X2安規蜜桃臀91成人无码精品 335K/AC275V 腳距10mm蜜桃臀91成人无码精品

產品類型:X蜜桃臀91成人无码精品 產品型號:X2 335K/AC275V   本體寬度:13mm 本體腳距:10mm 本體厚度:8mm 品牌:特銳祥 封裝/外殼:塑料封裝 L 管腳貼片 產品應用:家用電器 規格書下載
8N65高壓mos管 場效應管SMF8N65

8N65高壓mos管 場效應管SMF8N65

產品類型:場效應管 產品型號:SMF8N65 產品描述:8A 650V TO-220F塑封 封裝:TO-220F 品牌:FRX 產品應用:高壓NPN型MOS管,高頻開關電源,高速功率開關應用。應用於電源開關、LED照明等 規格書下載
天電TD356C(T1)-G蜜桃视频黄成人访APP下载代替億光EL357C

天電TD356C(T1)-G蜜桃视频黄成人访APP下载代替億光EL357C

產品類型:蜜桃视频黄成人访APP下载 產品型號:TD356C(T1)-G 運轉方式:代替億光EL357C 封裝:SOP-4 品牌:天電 產品應用:主要用於手機充電器、電源適配器、LED電源等。 規格書下載
MSB40M整流橋堆  4A軟橋廠家

MSB40M整流橋堆  4A軟橋廠家

產品類型:橋堆、軟橋 產品型號:MSB40M 產品描述:4A 1000V MSB407 MSB 封裝:MSB 品牌:新邦微XBW 產品應用:主要用於手機充電器、電源適配器、LED電源等。 規格書下載
特銳祥正品 插件陶瓷Y5P151K 250V蜜桃臀91成人无码精品

特銳祥正品 插件陶瓷Y5P151K 250V蜜桃臀91成人无码精品

產品類型:Y2蜜桃臀91成人无码精品 產品型號:Y2 471M/250V 產品描述:SMD-Y2-Y5U471M/AC250V 封裝:4.3*3.5*2.2 品牌:特銳祥 封裝/外殼:塑料封裝 L 管腳貼片 產品應用:主要用於家用電器、充電器 規格書下載
全新原裝牛角型820uf 450V硬腳電解蜜桃臀91成人无码精品

全新原裝牛角型820uf 450V硬腳電解蜜桃臀91成人无码精品

產品係列:電解蜜桃臀91成人无码精品 產品型號:牛角型電解蜜桃臀91成人无码精品 產品描述:尺寸可定製 820uF 450V 封裝:鋁電解 品牌:NOBLE 產品應用:家用電器
肖特基二極管SS54 5A 40V SMA/SMB/SMC

肖特基二極管SS54 5A 40V SMA/SMB/SMC

產品類型:二極管 產品型號:SS54 產品描述:5A 40V 550mV@5A 產品封裝:SMA/SMB/SMC 產品品牌:新邦微 產品應用:小家電、數碼產品、電源產品及工控等 規格書下載
瞬態抑製二極管SMF5.0CA SOD-123FL

瞬態抑製二極管SMF5.0CA SOD-123FL

產品類型:TVS二極管 產品型號:SMF5.0CA 產品描述:4.6*1.5*2.9 產品封裝:SOD-123FL 產品品牌:新邦微XBW 產品應用:主要應用於數碼產品、傳感器、變速器、工控回路、續電器、接觸器噪音的抑製等各個領域
貼片穩壓二極管BZX584C6V8 6.8V SOD-523

貼片穩壓二極管BZX584C6V8 6.8V SOD-523

產品類型:塑封穩壓二極管 產品型號:BZX584C6V8 產品描述:6.8V 絲印Z5 封裝:SOD-523 品牌:星海 產品應用:由於具有穩壓作用,廣泛用在穩壓電源、電子點火器、直流電平平移、限幅電路、過壓保護電路、補償電路等當中。 規格書下載
1N4148W開關二極管 新邦微原廠直銷

1N4148W開關二極管 新邦微原廠直銷

產品類型:二極管 產品型號:1N4148W 產品描述:75V 0.15A T4 SOT-23 封裝:SOT-23 品牌:新邦微XBW 產品應用:超高速開關應用。應用廣泛。應用於電子設備、數碼、通訊等。 規格書下載
BAV70貼片二極管 新邦微高速開關二極管

BAV70貼片二極管 新邦微高速開關二極管

產品類型:二極管 產品型號:BAV70 產品描述:75V 0.15A T4 封裝:SOT-23 品牌:新邦微XBW 產品應用:超高速開關應用。應用廣泛。應用於電子設備、數碼、通訊等。 規格書下載
BAV99開關二極管 新邦微100%原裝正品

BAV99開關二極管 新邦微100%原裝正品

產品類型:二極管 產品型號:BAV99 產品描述:75V 0.15A T4 產品封裝:SOT-23 產品品牌:新邦微XBW 產品應用:超高速開關應用。應用廣泛。應用於電子設備、數碼、通訊等。 規格書下載
新邦微MMBD4148CA開關二極管

新邦微MMBD4148CA開關二極管

產品類型:二極管 產品型號:MMBD4148CA 產品描述:75V 0.2A A1 產品封裝:SOT-23 產品品牌:新邦微XBW 產品應用:超高速開關應用。應用廣泛。應用於電子設備、數碼、通訊等。 規格書下載
新邦微BAW56原裝現貨貼片開關二極管

新邦微BAW56原裝現貨貼片開關二極管

產品類型:二極管 產品型號:BAW56 產品描述:75V 0.215A A7 產品封裝:SOT-23 產品品牌:新邦微XBW 產品應用:超高速開關應用。應用廣泛。應用於電子設備、數碼、通訊等。 規格書下載
SMA封裝 新邦微貼UF1M片二極管

SMA封裝 新邦微貼UF1M片二極管

產品類型:快恢複二極管 產品型號:UF1M 封裝:SMA 品牌:新邦微XBW 產品應用:塑料封裝型通用矽材料。廣泛應用於各種交流變直流的整流電路中。也用於橋式整流電路。 規格書下載
新邦微RS2M貼片快恢複二極管 廠家直售

新邦微RS2M貼片快恢複二極管 廠家直售

產品類型:二極管 產品型號:RS2M 產品描述:2A 1000V  封裝:SMA 品牌:新邦微XBW 產品應用:廣泛應用於開關電源、LED電源、變頻器、驅動器等電路 規格書下載
新邦微SMB封裝 FR1M快恢複二極管高質價優

新邦微SMB封裝 FR1M快恢複二極管高質價優

產品類型:二極管 產品型號:FR1M 產品描述:1A 1000V FR1M SMB 封裝:SMA 品牌:新邦微XBW 產品應用:廣泛應用於開關電源、LED電源、變頻器、驅動器等電路 規格書下載
新邦微US1M快恢複二極管

新邦微US1M快恢複二極管

產品類型:快恢複二極管 產品型號:US1M 產品描述:1A 1000V 封裝:SMA 品牌:新邦微XBW 產品應用:廣泛應用於開關電源、LED電源、變頻器、驅動器等電路 規格書下載
新邦微RS1M貼片二極管 O元拿樣

新邦微RS1M貼片二極管 O元拿樣

產品類型:二極管 產品型號:RS1M 封裝:SMA 品牌:新邦微XBW 產品應用:廣泛應用於開關電源、LED電源、變頻器、驅動器等電路 規格書下載
新邦微M7整流二極管 SMA封裝廠家直售

新邦微M7整流二極管 SMA封裝廠家直售

產品類型:整流二極管 產品型號:M7 封裝:SMA 品牌:新邦微XBW 產品應用:塑料封裝型通用矽材料。廣泛應用於各種交流變直流的整流電路中。也用於橋式整流電路。 規格書下載
新邦微SOD-123FL封裝 1N4007W整流二極管

新邦微SOD-123FL封裝 1N4007W整流二極管

產品類型:二極管 產品型號:1N4007W 封裝:SOD-123FL 品牌:新邦微XBW 產品應用:塑料封裝型通用矽材料。廣泛應用於各種交流變直流的整流電路中。也用於橋式整流電路。 規格書下載
新邦微1N5399整流二極管 高質價優

新邦微1N5399整流二極管 高質價優

產品類型:二極管 產品型號:1N5399 產品描述:1.5A 1000V DO-15 封裝:DO-15 品牌:新邦微XBW 產品應用:塑料封裝型通用矽材料。廣泛應用於各種交流變直流的整流電路中。也用於橋式整流電路。 規格書下載
新邦微1N4007整流二極管 原裝正品

新邦微1N4007整流二極管 原裝正品

產品類型:二極管 產品型號:1N4007 產品描述:1A 1000V DO-41 封裝:DO-41 品牌:新邦微XBW 產品應用:塑料封裝型通用矽材料。廣泛應用於各種交流變直流的整流電路中。也用於橋式整流電路。 規格書下載
新邦微1N5408整流二極管 DO-41現貨速發

新邦微1N5408整流二極管 DO-41現貨速發

產品類型:二極管 產品型號:1N4008 產品描述:1A 1000V DO-41 封裝:DO-41 品牌:新邦微XBW 產品應用:塑料封裝型通用矽材料。廣泛應用於各種交流變直流的整流電路中。也用於橋式整流電路。 規格書下載
肖特基貼片二極管1N5819W SOD-123

肖特基貼片二極管1N5819W SOD-123

產品類型:二極管 產品型號:1N5819W 產品描述:1A 40V  絲印SL 封裝:SOD-123 品牌:新邦微XBW 產品應用:用於低壓、高頻逆變器;自由轉動和極性保護應用 規格書下載

聯係水蜜桃视频免费观看

  • 電話:138-2353-9691
  • QQ:397540463
  • 郵箱:397540463@qq.com
  • 地址:深圳市寶安區西鄉大道302號金源商務大廈B座301
網站地圖